Technical tips from the archives:
  • Steering Idler Box
  • Hydraulic Systems
  • Fuel Systems
  • Cooling Systems
  • SU Carburetors

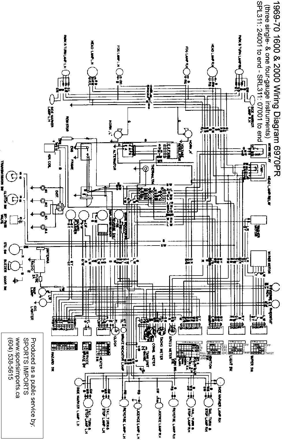
    Wiring diagrams:
  • 1968 1600 SP(L)311 and 2000 SR(L)311
  • 1969-70 1600 SP(L)311 and 2000 SR(L)311